Ideal Warehouse Innovations

Butoirs de quai lamellés, Vertical, Caoutchouc/Acier, 11" la x 4" p x 24" h

Modèle : KH710

No. de fab. : 22-1103

  • Butoirs de quai lamellés, Vertical, Caoutchouc/Acier, 11" la x 4" p x 24" h Rock Safety Industrial Ltd

La couleur, la taille ou le style présenté dans certaines images peut différer de la description.
Veuillez bien vérifier la description du produit avant de passer votre commande.

Initiative verte

448,00 $ / Chacun

0 En stock

Garantie du fabricant

  • 3 ans

Matériau

Acier/Caoutchouc

Style

Vertical

Profondeur

4"

Largeur hors tout

11"

Hauteur hors tout

24"

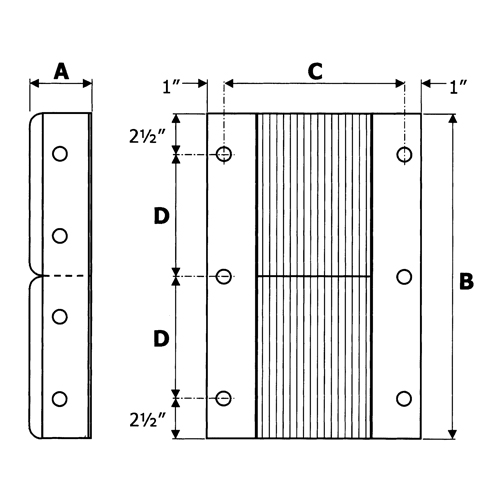
Dimensions A

4"

Dimensions B

24"

Dimensions C

11"

Dimensions D

9,5"

Poids

90 lb

  • Une des formes de protection de quai de chargement des plus solides
  • Utilisés pour les quais où se produit une friction excessive de haut en bas par les remorques à suspension pneumatique, les tracteurs de manutention, etc.
  • 3/8" d'épaisseur, robuste, à haute teneur en carbone, plaque nickelée flottante qui résiste à la friction abrasive de remorques pneumatiques
  • Conception à structure fermée qui prolonge la durée du caoutchouc
  • Garantie de 3 ans
  • Fabriqué en caoutchouc de pneu recyclé